Încuietoare ușă dulap industrialeste componenta cheie de protecție a dulapului de distribuție, a dulapului de comunicații, a cutiei de control și a altor echipamente, care este direct legată de siguranța componentelor electrice interne și de funcționarea stabilă a sistemului.
Pentru a îndeplini cerințele diversificate de timp de livrare și specificații pentru diferite proiecte, compania noastră are întotdeauna în stoc cinci tipuri de încuietori utilizate în mod obișnuit --Bară lungă de blocare, Blocare panou, Blocare control tije, Blocare mâner,Blocare rotativă a limbii. În același timp, susținem orice încuietoare non-standard personalizată după desene sau mostre, care este perfect potrivită pentru toate tipurile de cutii de distribuție metalice.
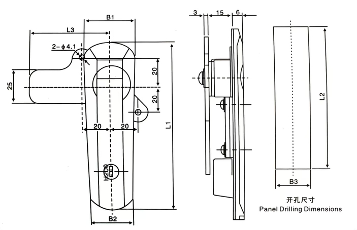
Blocarea avionului este unul dintre cele mai comune tipuri de încuietori industriale pentru uși de dulap, atât frumoase, cât și ușor de întreținut. Compania noastră a lansat încuietoarea avionului din seria AB301, AB302, AB303, AB402, AB403, în rezistența structurală, performanța de protecție și senzația de funcționare a designului diferențiat, poate îndeplini diferitele specificații ale cutiei de distribuție, cerințele de instalare a dulapului de control.
| Dimensiuni | Numărul produsului | |||||||
| L1 | L2 | L3 | B1 | B2 | Placare cu crom gri | Vopsea spray gri | Vopsit cu pulbere neagră | Greutate (g) |
| 147 | 117 | 72 | 33 | 26.5 | AB301-1-1.2 | AB301-1-1.8 | AB301 | 370 |
| 120.5 | 95.5 | 65 | 30 | 23.5 | AB301-2-1.2 | AB301-2-1.8 | AB302 | 290 |
| 87.5 | 62.5 | 65 | 28.5 | 23.5 | AB301-3-1.2 | AB301-3-1.8 | AB303 | 215 |
Material principal: aliaj de zinc.
Tratamentul suprafeței: crom strălucitor, mat, negru.
Funcție și utilizare: Realizează deschiderea ușii din stânga și din dreapta, ușor de utilizat, cu funcție de etanșare și impermeabilitate.
Material principal: aliaj de zinc.
Tratamentul suprafeței: crom strălucitor, mat, negru.
Funcție și utilizare: Realizează deschiderea ușii din stânga și din dreapta, ușor de utilizat, cu funcție de etanșare și impermeabilitate.
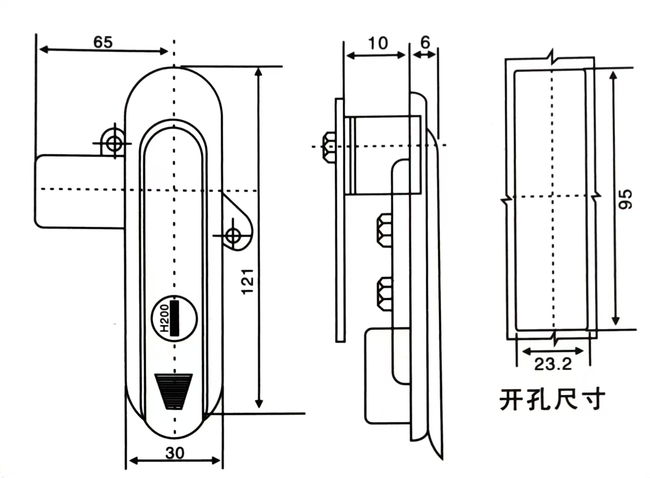
Material: corp de blocare din aliaj de zinc, arbore rotativ, șurub din oțel galvanizat, placă de presiune.
Tratamentul suprafeței: nano spray gri argintiu.
Descrierea structurii: Rotiți cu 90 de grade pentru a deschide sau a bloca.
| MODEL | L1 | L2 | L3 | B1 | B2 | B3 |
| NOU AB402-A | 123 | 95.5 | 65 | 36.5 | 30 | 23.5 |
| NOU AB403-A | 91 | 62.5 | 65 | 33 | 28.5 | 23.5 |
| NOU AB401-A | 151 | 117 | 72 | 36 | 30 | 26.5 |
